详细介绍:
| SRMS-08-04U帽式导电滑环 通 路 数: 4 主 体 外 径: 8.6 mm |
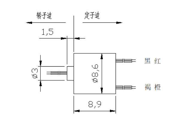
◆ SRMS-08-04U是标准的帽式滑环,外径 8.6mm,长度 8.9mm,,4路* 1A(信号)
◆ 采用国内领先的军工级别高标准表面处理技术,内部结构更为精密和紧凑
◆ 采用金-金接触点,保证了稳定性和使用寿命,主要用于民用,商用领域
◆ 运转平滑,结构紧凑 ,低力矩,兼容数据总线协议
◆ 定子线和转子线对应使用彩色导线,使电路连接简单化
◆ 导电环采用90度角V行槽设计,具有顺畅旋转,低力矩和低电气噪音的
◆ 产品整体式结构,先进的纤维刷技术,支持功率、信号混合传输
部分应用领域
| ★ 云台 | ★ 电气测试设备 |
| ★ 旋转工作台 | ★ 医疗设备 |
| ★ CCTV安防监控设备 | ★ 机器人 |
| ★ 展览/显示设备 | ★ 制造和处理控制设备 |
| ★ 小型风力发电机 | ★ 雷达天线 |
外形图

技术参数
通路数 | 4路 | 转速 | 100转/分钟 |
额定电流 | 1A/路 | 防护等级 | IP54 |
额定电压 | 220V | 接触材料 | 贵金属 |
绝缘电阻 | 500MΩ@500VDC | 壳体材料 | 工程朔料 |
电气噪音 | 10mΩ @ 6VDC,50mA,5Rpm | 扭矩 | 0.01N.M |
工作寿命 | 大于500万转 | 轴承 | 高精密滚珠轴承 |
工作温度 | -40℃ ~ +80℃ | 导线规格 | AWG#30 Teflon wire UL |
相对湿度 | 60% | 导线长度 | 250mm |
机械震动 | MIL-SID-810E | 环保认证 | RoHS 认证 |
内径*外径 | 0 * 8.6mm | CE认证 | YES |
注意:
1)产品寿命和转速以及温度,湿度等参数紧密相关.
2)导线规格: 1A/信号 -> AWG30,
3)电气噪音与工作转速,电流,电压精密相关.
导线色码表
环码 | #1 | #2 | #3 | #4 |
色玛 | 黑 | 褐 | 红 | 橙 |
上一条:SRMS-08-04A





